Квадрат расстояния же?
Извольте. Линейное интегрально уравнение Винера-Хопфа. Но в целом уровень сложности сопоставим. ![]()
Отправлено 12 января 2025 - 02:19
Квадрат расстояния же?
Спутник даёт сигналы с куда бОльшего расстояния. Там тот же квадрат. А мощности передатчика спутника небольшие, что солнечные панели с аккумуляторами обеспечивают. А на вертолёте, даже таком старом, как Ми-8, десятки киловатт можно задействовать.
Отправлено 12 января 2025 - 02:28
Спутник даёт сигналы с куда бОльшего расстояния. Там тот же квадрат. А мощности передатчика спутника небольшие, что солнечные панели с аккумуляторами обеспечивают. А на вертолёте, даже таком старом, как Ми-8, десятки киловатт можно задействовать.
Именно. Спутники можно как-то заглушить на небольшой площади и временно, ценой затрат многих киловатт.
Отправлено 12 января 2025 - 02:57
Именно. Спутники можно как-то заглушить на небольшой площади и временно, ценой затрат многих киловатт.
Вы идёте на яхте. Допустим... огибаете мыс Стирсудден. Погода хорошая, видимость - миллион на миллион. Позднее утро. Вы проложили точки на навигаторе, на плите посвистывает чайник, авторулевой-Ванька жужжит потихоньку... Над вами появляется вертолёт и о-ля-ля! - вы по навигатору идёте по Нарвскому шоссе у Волосово. Но вы идёте не первый и не десятый раз, карты у вас есть, прикидываете, что если будете в миле от берега, то и на полигон, где маячит сторожевичок, не зайдёте, а у мыса песчаный повернёте правее Толбухина, не заблудитесь, там фарватер обставлен. И вы до самого Морского Канала идёте чёрти куда по навигатору, поскольку, устав пилить по земле, отключился вообще. Да ерунда!
А заходите домой, в клуб, уже когда темнеет, а там резиденция рядышком... И навигатор вырубается напрочь. А фарватер обставлен только у самого клуба, вы две мили прёте, пытаясь вспомнить ориентиры, по которым ходили 20 лет назад, а там уже домов понастроили немеряно, и старых ориентиров нет, а знаете точно, что на пути есть камешки и остатки дюкеров, заботливо отмеченные на навигаторе точками (когда влетал), но навигатор кажет фигу. И вот здесь начинаешь думать, а сколько стОит залить вмятину с пару кулаков на свинцовом фальшкиле? И понимаешь, что много...
А самое смешное, что это - один реальный прошлогодний переход. И не влетел. А другой - влетел при подобных обстоятельствах. Будет чинить килу.
Сообщение отредактировал lesele: 12 января 2025 - 02:59
Отправлено 12 января 2025 - 03:16
Вы идёте на яхте. Допустим... огибаете мыс Стирсудден. Погода хорошая, видимость - миллион на миллион. Позднее утро. Вы проложили точки на навигаторе, на плите посвистывает чайник, авторулевой-Ванька жужжит потихоньку... Над вами появляется вертолёт и о-ля-ля! - вы по навигатору идёте по Нарвскому шоссе у Волосово. Но вы идёте не первый и не десятый раз, карты у вас есть, прикидываете, что если будете в миле от берега, то и на полигон, где маячит сторожевичок, не зайдёте, а у мыса песчаный повернёте правее Толбухина, не заблудитесь, там фарватер обставлен. И вы до самого Морского Канала идёте чёрти куда по навигатору, поскольку, устав пилить по земле, отключился вообще. Да ерунда!
А заходите домой, в клуб, уже когда темнеет, а там резиденция рядышком... И навигатор вырубается напрочь. А фарватер обставлен только у самого клуба, вы две мили прёте, пытаясь вспомнить ориентиры, по которым ходили 20 лет назад, а там уже домов понастроили немеряно, и старых ориентиров нет, а знаете точно, что на пути есть камешки и остатки дюкеров, заботливо отмеченные на навигаторе точками (когда влетал), но навигатор кажет фигу. И вот здесь начинаешь думать, а сколько стОит залить вмятину с пару кулаков на свинцовом фальшкиле? И понимаешь, что много...
А самое смешное, что это - один реальный прошлогодний переход. И не влетел. А другой - влетел при подобных обстоятельствах. Будет чинить килу.
Я на днях наблюдал, как электронный болван заправляет шарабан в поворот. На такой скорости, где безопасность рядом не стояла. И подумал я - а если этот болван отключится?
...поэтому купил секстан ![]()
Отправлено 12 января 2025 - 04:00
Честно скажу, что ничего в этом не понимаю, но даже моего непонимания хватает на то, чтобы предположить, что это вот сюда, нет?
Помехозащищенная навигационная аппаратура
Это можно и туда, собственно, о том и речь, но рекламировать коробочку за такие деньжищи... ![]()
Отправлено 12 января 2025 - 15:01
Вот тоже реальный случай. До-GPS эра. Большая яхта, большой экипаж, по определению зубры в навигации. На пути из Приморска в Ленинград, ночь, отличная видимость, впереди чуть справа виден Стирсудден. В четыре часа утра вы принимаете вахту у старпома который в этом плавании идёт капитаном и он вам передает курс которым править. Через двадцать минут вы на мели.Вы идёте на яхте. Допустим... огибаете мыс Стирсудден. Погода хорошая, видимость - миллион на миллион. ...
А самое смешное, что это - один реальный ... переход...
Сообщение отредактировал В. Мельников: 12 января 2025 - 15:02
Отправлено 12 января 2025 - 15:03
Вот тоже реальный случай. До-GPS эра. Большая яхта, большой экипаж, по определению зубры в навигации. На пути из Приморска в Ленинград, ночь, отличная видимость, впереди чуть справа виден Стирсудден. В четыре часа утра вы принимаете вахту у старпома который в этом плавании идёт капитаном и он вам передает курс которым править. Через двадцать минут вы на мели.
Повторюсь, реальный случай.
Отправлено 12 января 2025 - 15:04
Из того, что понял.
Антенна секторная, вычленяет белый шум и глушит его аппаратными средствами или отключением секторов, откуда он приходит. Таким образом убирается "затыкание" входного контура из-за чрезмерной мощности белого шума. Если помеха имитирует спутниковый сигнал "со смещением", то здесь приборчик бессилен. Поведёт вас по берегу, через леса и овраги (красивый трек, я вам скажу!). Т.е., можно как-то противодействовать "окопному РЭБу", но когда в дело вступают серьёзные госструктуры, шансов нет.
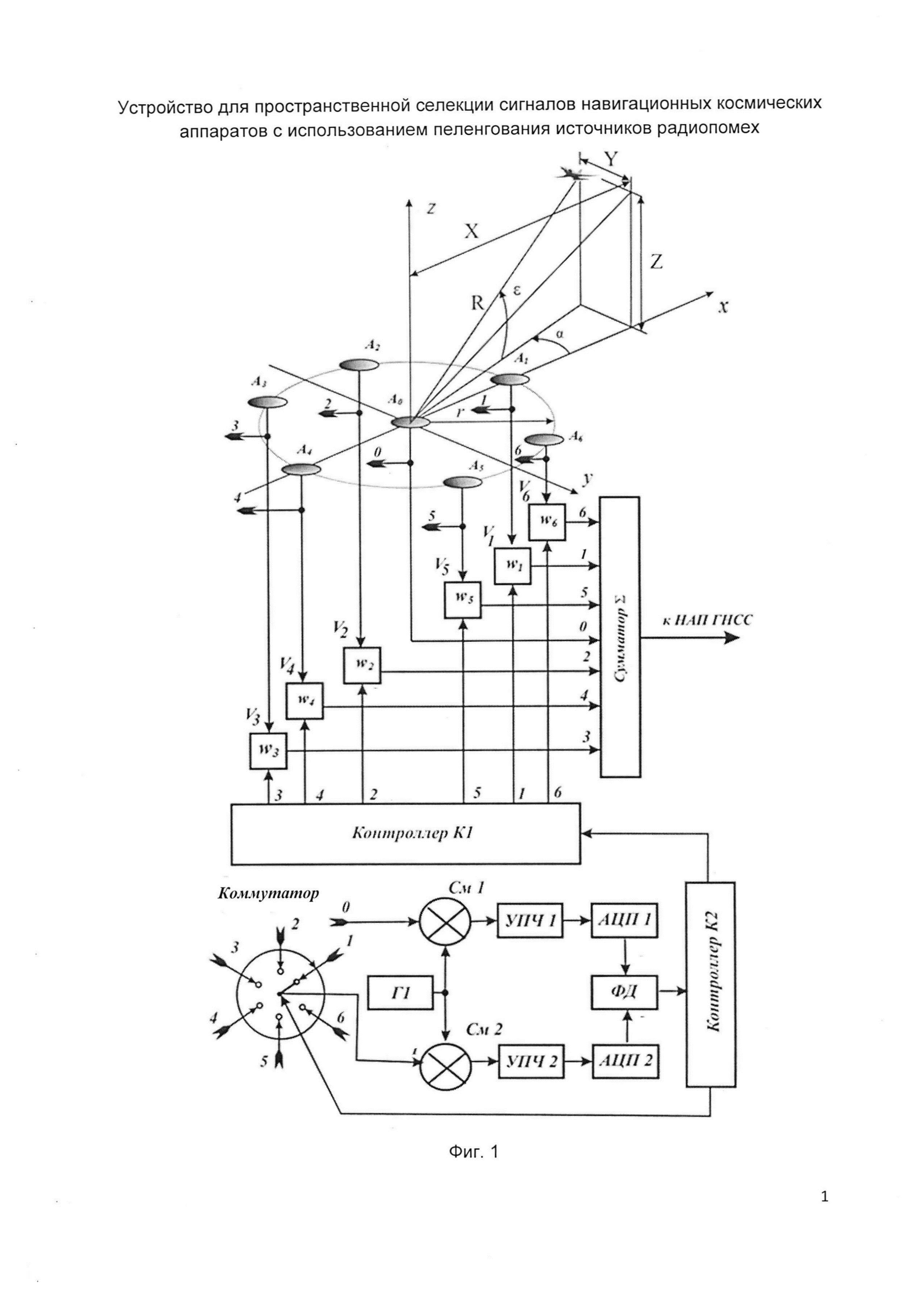
Я опять встряну про селекцию спутников по направлению.
Есть много работ по этой теме. Например:
https://patents.goog.../RU2619800C1/ru
Устройство для пространственной селекции сигналов навигационных космических аппаратов с использованием пеленгования источников радиопомех
Отправлено 13 января 2025 - 14:06
Отправлено 13 января 2025 - 14:08
Вы про те, что могут плавать как выше, так и ниже ватерлинии?
и даже выше ватерлинии. На БЖП всегда стояли гирокомпасы. Древние механические передавали инфу об угле (в математическом смысле) поворота через сельсины.
Сообщение отредактировал Aleksk: 13 января 2025 - 14:10
Отправлено 13 января 2025 - 14:13
Гирокомпас - это не инерциальная навигационная система. Это просто указатель направления на полюса. Инерциальная система должна иметь интеграторы ускорений (хотя бы по двум взаимноперпендикулярным направлениям), чтобы показывать, куда вы пришли из начальной точки.и даже выше ватерлинии. На БЖП всегда стояли гирокомпасы. Древние механические передавали инфу об уголе поворота через сельсины.
0 пользователей, 0 гостей, 0 скрытых пользователей