т.е. на 12в электрику можно не заморачиваться с поиском LTC4412?! а только поставить 20-вольтовые Мосфиты вместо диодов?ИМХО LTC4412 и нужна для того чтобы не выгорели, она и следит за этим делом. А так можно и без нее обойтись бы было.
Зарядные изоляторы (диодные разделители) для аккумуляторов.
#27
Отправлено 19 апреля 2010 - 16:29
Коллега с развязкой или без оной, с корткозамкнутой банкой Вы все равно получите туже историю. Только без диодов еще и вторая батарея при этом навернется. Мы сздесь говорим не об экстремальных случаях, а об обычных когда надо две батареи соеинить в параллель на зарядку а на нагрузку они каждая на свою работают.Согласен, но есть один нюанс (что я забыл описать). У генератора есть конечный ток отдачи (ток, который он может выдать) - например 30, 40, 65, 80 ампер. При одной короткозамкнутой банке в одном из АКБ через один такой диод будет течь весь ток, а на оставшийся нормальный АКБ ничего не будет идти т.к. при замкнутой банке .....
По хорошему на каждую батарею свой регулятор зарядки, (по сути отдельную зарядку) Цену я выше упоминал, впрочем можно и соорудить самому вплоть до на микроконтроллере.Т.е. по хорошему - нужно в каждом плече после диода поставить амперметр и смотреть куда сколько уходит тока при заряде.
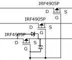
Почему Вы так решили ? Читаем в самом начале: MOSFET Gate Protection ClampНет - не следит!
Все верно 20V только... между истоком и затвором.А поскольку на IRF4905 максимально допустимые +-20вольт на затворе, то при +28в - MOSFET однозначно вылетят (будут или постоянно открытые или постоянно закрытые).
#28
Отправлено 19 апреля 2010 - 16:31
Я тоже так хотел вначале. Но вот всетаки микрохему надо. С мосфетами не так все просто как с обычными транзисторами, которые легко включить как диод.т.е. на 12в электрику можно не заморачиваться с поиском LTC4412?! а только поставить 20-вольтовые Мосфиты вместо диодов?
#29
Отправлено 19 апреля 2010 - 16:33
Поищите тут: http://www.efind.ru/...?search=LTC4412 позвоните по фирмам и проч проч, в общем в магазине врядли она просто так будет лежать. Не очень ходовой и достаточно недешевый товар. Я заказывал и ждал пока привезут.Замахнулся на сборку зарядного изолятора ... , но LTC 4412 оказалась мягко говоря не очень распространённой микросхемой. Никто не знает, где есть в наличии?
#30
Гость_Andrew1969_*
Отправлено 19 апреля 2010 - 16:48
т.е. на 12в электрику можно не заморачиваться с поиском LTC4412?! а только поставить 20-вольтовые Мосфиты вместо диодов?
Нет. LTC4412 это именно тот компонент что управляет открытием и закрытием MOSFET как это должен делать диод. Можно конечно сделать аналог LTC4412 из аналоговых деталей - но это сильно усложнит схему. Раньше такая схема кажется называлась "синхронный выпрямитель".
Коллега с развязкой или без оной, с корткозамкнутой банкой Вы все равно получите туже историю. Только без диодов еще и вторая батарея при этом навернется. Мы сздесь говорим не об экстремальных случаях, а об обычных когда надо две батареи соеинить в параллель на зарядку а на нагрузку они каждая на свою работают.По хорошему на каждую батарею свой регулятор зарядки, (по сути отдельную зарядку) Цену я выше упоминал, впрочем можно и соорудить самому вплоть до на микроконтроллере.
Почему Вы так решили ? Читаем в самом начале: MOSFET Gate Protection ClampВсе верно 20V только... между истоком и затвором.
Нет, раздельные зарядные не помогут, т.к. худший АКБ всеравно будет вытягивать весь ток из единственного генератора.
А вот как вариант - навесить на двигатель второй генератор - и от каждого генератора заряжать свой акб.
MOSFET Gate Protection Clamp - это защита от уменьшения напряжения на затворе ниже ~7вольт, когда MOSFET переходит из ключевого режима с минимальным сопротивлением в линейный, где его сопротивление вырастает в разы и десятки раз -а значит и рассеиваемая на кристалле мощность. При понижении напряжения на затворе ниже какого-то минимума ~7 вольт - MOSFET необходимо очень быстро отключить иначе он моментально перегреется и сгорит. MOSFET Gate Protection Clamp описан на стр.3 прикрепленного ранее pdf (пределы отклонения для данной микросхемы).
#31
Отправлено 19 апреля 2010 - 21:53
Коллега!<...>Максимальный ток, кот должен протекать через диод, будет составлять 40А, потеря мощности на переходе 30вт. Мощность генератора должна составлять минимум 1000 Вт на оба.
<...>
Если Вы внимательно перечитаете собственное сообщение, то поймёте, что Ваши опасения напрасны.
Т.к. Расчитанная Вами мощность генератора значительно превышает реальную, которую может отдать реальный «водномоторный» генератор в нагрузку, то потери мощности и токи будут ограничены этой реальной мощностью.
И ничего страшного не случится, если в первоначальный момент времени зарядка начнётся при полностью разряженных батарреях.
С уважением.
#33
Гость_Andrew1969_*
Отправлено 19 апреля 2010 - 22:14
Коллега!
Если Вы внимательно перечитаете собственное сообщение, то поймёте, что Ваши опасения напрасны.
Т.к. Расчитанная Вами мощность генератора значительно превышает реальную, которую может отдать реальный «водномоторный» генератор в нагрузку, то потери мощности и токи будут ограничены этой реальной мощностью.
И ничего страшного не случится, если в первоначальный момент времени зарядка начнётся при полностью разряженных батарреях.
С уважением.
Да нет, у меня например на 2-х стационарах-дизелях стоят 2 генератора по 1000ватт. При 14в - каждый выдает номинальный ток 72а, а максимальный (при оборотах выше номинальных но ниже максимальных) порядка 80а. При сети 28в 35а и 40а соотвественно...
Так!
Вы меня запутали!!!!
У меня на катере 4 АКБ.
2 сервисные, стартерная и для холодильника.
Развязка простая - через диоды Шотки. 120 ампер. на радиаторах.
Все работает.
В чем проблемы???
От генератора АКБ при такой развязке не будут заряжаться более 50-60% (хотя например есть генераторы где стоит крутелка или переключатель регулировки выходного напряжения зима-лето [у меня как раз такие], можно накрутить и 15-15.5вольт (зима) - тогда все будет заряжаться как положено, (на лето) порядка 13.8-14.2в).
120амп Шоттки - довольно редкая штука в России (а за бугром есть и по 175ампер шоттки всего по 8-10$/шт). Но можно запросто спарить/строить 2-3шт по 3-5$ Шоттки блока компьютера по 60ампер - на них в конце заряда при малом токе падение порядка 0.35в, что соизмеримо с падением напряжения от длины проводов.
Сообщение отредактировал Andrew1969: 19 апреля 2010 - 22:23
#34
Отправлено 20 апреля 2010 - 00:25
Всё у Вас хорошо. "Работает не трогай"У меня на катере 4 АКБ.
2 сервисные, стартерная и для холодильника. Развязка простая - через диоды Шотки. 120 ампер. на радиаторах.
Все работает. В чем проблемы???
#35
Отправлено 20 апреля 2010 - 00:33
Тогда уж каждому аккумулятору по своему двигателю с генераторомНет, раздельные зарядные не помогут, т.к. худший АКБ всеравно будет вытягивать весь ток из единственного генератора. А вот как вариант - навесить на двигатель второй генератор - и от каждого генератора заряжать свой акб.
Да точно, так и есть, недочитал. Однако коллега, приведите вариант когда напряжение на затворе относительно истока будет более чем 20 вольт ? У меня не получаетсяMOSFET Gate Protection Clamp - это защита от уменьшения напряжения на затворе ниже ~7вольт, когда MOSFET переходит из ключевого режима с минимальным сопротивлением в линейный,
А вообще надо в эту схему добавить защиту от бросков при работе стартера, вот это действительно надо.
Ибо для 12ти схемы тут все хорошо. А вот броски напряжения от стартера реально могут иметь место и хорошобы защитится от них. Конденсаторами хоть чтоли. А еще лучше стабилитронами встречно параллельными. Но автор вроде пользуется этой схемой на автомобиле и ничего не сообщил нам на тему выхода ее из строя.
#36
Гость_Andrew1969_*
Отправлено 20 апреля 2010 - 05:02
Однако коллега, приведите вариант когда напряжение на затворе относительно истока будет более чем 20 вольт ? У меня не получается
А вообще надо в эту схему добавить защиту от бросков при работе стартера, вот это действительно надо.
Ибо для 12ти схемы тут все хорошо. А вот броски напряжения от стартера реально могут иметь место и хорошобы защитится от них. Конденсаторами хоть чтоли. А еще лучше стабилитронами встречно параллельными. Но автор вроде пользуется этой схемой на автомобиле и ничего не сообщил нам на тему выхода ее из строя.
Больше 20в - В данном случе больше или меньше (т.к на затворе макс +-20в) пожалуйста = сеть 24 вольта (28-30 вольт при зарядке АКБ). транзистор закрыт - на затворе 0 вольт, а на стоке и истоке 28-30в
Надо защищать - обычно хорошо и недорого это TVS - диоды.
Конденсаторы - это дорого, но можно, но не всегда приемлемо.
Стабилитроны - очень медленные - полевик сгорает быстрее. А вот TVS-диоды как раз очень быстрые.
Были в начале 90-х кооперативы, штамповали реле стеклощеток хитрые на транзисторах, все было хорошо, но почему через примерно 0.5 года начались массовые отказы транзисторов... Установили защиту - все прошло.
Сообщение отредактировал Andrew1969: 20 апреля 2010 - 05:11
#39
Гость_Andrew1969_*
Отправлено 20 апреля 2010 - 14:34
А вообще надо в эту схему добавить защиту от бросков при работе стартера, вот это действительно надо.
Лучше всего от импульсов защищает TVS-диод (очень быстро открывается, беря весь импульс на себя):
1шт на сток-исток и 1шт на затвор-исток на каждый транзистор или 1шт на каждый диод Шоттки (они также пробиваются высоковольными выбросами-иголками). Припаивается максимально близко к самим транзисторам и диодам - лучше прямо на их ноги если позволяет конструкция. Полярность не перепутать естественно.
1.5КЕ15А - начинает открываться при ~14-14.5вольт
1.5КЕ16А - начинает открываться при ~15-15.5вольт
1.5КЕ18А - начинает открываться при ~17-17.5вольт
Если используется хитрая схема просадки затвора ниже 0в (для гарантированного быстрого закрывания мощных MOSFET), тогда на затвор-исток вешается двунаправленный TVS-диод 1.5КЕ15СА, 1.5КЕ16СА, 1.5КЕ18СА.
#42
Отправлено 20 апреля 2010 - 16:40
Чет я Вас не понял, не смогли бы Вы пририсовать к вышеприведенной схеме эти диоды так как Вы это видите.Лучше всего от импульсов защищает TVS-диод (очень быстро открывается, беря весь импульс на себя): 1шт на сток-исток ..... Полярность не перепутать естественно.
Если используется хитрая схема просадки затвора ниже 0в (для гарантированного быстрого закрывания мощных MOSFET), тогда на затвор-исток вешается двунаправленный TVS-диод 1.5КЕ15СА, 1.5КЕ16СА, 1.5КЕ18СА.
#44
Отправлено 20 апреля 2010 - 19:03
#45
Гость_Andrew1969_*
Отправлено 20 апреля 2010 - 19:53
И где ограничители? Я уж раз писал, что эти диоды третий эшелон после разрядников и варисторов с соответствующими дросселями в поперечных ветвях. Причем все это для определенных МИПов и НИПов в зависимости от типа цепи и типа аппаратуры. А горят эти хилые диодики на тупое полное КЗ.
Молнии же нету - зачем там варисторы и разрядники...
Хотя для простоты - можно по штук 5 на входе устройства и выходе поставить этих диодиков (между + и массой).
Сообщение отредактировал Andrew1969: 20 апреля 2010 - 19:56
#46
Отправлено 20 апреля 2010 - 20:59
А хто сказал что нету ? http://katera.ru/for...h...st&p=555117Молнии же нету - зачем там варисторы и разрядники...
Хотя для простоты - можно по штук 5 на входе устройства и выходе поставить этих диодиков (между + и массой).
Ну, а посути ведь акк. батарея сама по себе является конденсатором с огромной емкостью, и должна все броски от стартера "взять на себя", нет ?
#47
Гость_Andrew1969_*
Отправлено 21 апреля 2010 - 15:00
А хто сказал что нету ? http://katera.ru/for...h...st&p=555117
![]()
Ну, а посути ведь акк. батарея сама по себе является конденсатором с огромной емкостью, и должна все броски от стартера "взять на себя", нет ?
Если молнии - тогда нужно весь комплекс защиты ставить...
Нет, АКБ очень плохо сглаживает резкие/короткие выбросы напряжения. Впрочем как и электролитические конденсаторы большой емкости - их запараллеливают керамическими конденсаторами.
#48
Отправлено 26 апреля 2010 - 19:28
В связи с этим два вопроса:
- какие диоды лучше? судя по характеристикам 125NQ015 хуже чем 245NQ015, при 10 А падение всего 0.15 (если я правильно понимаю график с характеристикой Forward Voltage Drop - V (V) вот здесь: http://www.vishay.co...59/245nq015.pdf
- вот здесь описание о компенсации диодом на шунте генератора падения напряжения:
http://transteh.ru/i...?bc_tovar_id=76
http://www.victronen...tery-isolators/может кто сможет накидать схемку в реальных деталях?!
Сообщение отредактировал Navoid: 26 апреля 2010 - 19:36
#49
Отправлено 26 апреля 2010 - 20:08
#50
Отправлено 26 апреля 2010 - 20:15
График я не понял к сожалению, както все расплывчато. А максимальные значения там 0.51 V при большом токе и температуре 75CВсетаки решил собрать на шоттках.... В связи с этим два вопроса: - какие диоды лучше? судя по характеристикам 125NQ015 хуже чем 245NQ015, при 10 А падение всего 0.15 (если я правильно понимаю график с характеристикой Forward Voltage Drop - V (V) вот здесь: http://www.vishay.co...59/245nq015.pdf
О хорошая контора виктрон енерджи, у меня зарядка (еще аналоговая и трансформаторная) от нее. Работает много лет тфу тфу всё ок, только выходной проводок распаялся от платы изза оксилившегося контакта, ну так запаял почистил и в путь. Схему они вроде и не скрывают совсем, вот в мануале по установке прямо со схемами всё нарисовано (респект и уважуха конторе !!!) http://www.victronen...0100-rev003.pdf- вот здесь описание о компенсации диодом на шунте генератора падения напряжения: ..... может кто сможет накидать схемку в реальных деталях?!
Ответить
Количество пользователей, читающих эту тему: 0
0 пользователей, 0 гостей, 0 скрытых пользователей














